[标准发布] 山西省市政道路工程造价指标和指数(2020年第2期).pdf

9 0
admin 发表于 2025-10-2 20:07 | 查看全部 阅读模式

一、基本信息

文档名称:山西省市政道路工程造价指标和指数(2020年第2期)

文档格式:pdf格式

文档大小:1.05MB

总页数:3页


二、简介

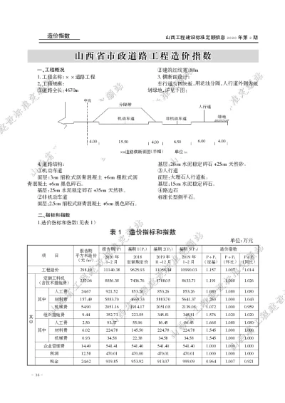
《山西省市政道路工程造价指标和指数(2020年第2期)》是山西省建设工程造价管理机构发布的重要参考资料,旨在为市政道路工程的预算编制、招投标及成本控制提供数据支持。该文件汇总了2020年第二季度山西省内各类市政道路工程的造价信息,包括道路铺设、桥梁建设、排水系统等项目,并结合市场行情发布了相关造价指数。通过分析不同区域、不同规模工程的造价水平,有助于提高工程管理的科学性和规范性。该资料适用于工程建设单位、施工单位、咨询机构及相关管理部门,为工程项目决策提供可靠依据。


三、预览

山西省市政道路工程造价指标和指数(2020年第2期)
2025-10-2 20:07 上传
文件大小:
1.05 MB
下载次数:
60
山西省市政道路工程造价指标和指数(2020年第2期).pdf
高速下载
【温馨提示】 您好!以下是下载说明,请您仔细阅读:
1、推荐使用360安全浏览器访问本站,选择您所需的PDF文档,点击页面下方“本地下载”按钮。
2、耐心等待两秒钟,系统将自动开始下载,本站文件均为高速下载。
3、下载完成后,请查看您浏览器的下载文件夹,找到对应的PDF文件。
4、使用PDF阅读器打开文档,开始阅读学习。
5、使用过程中遇到问题,请联系QQ客服。

本站提供的所有PDF文档、软件、资料等均为网友上传或网络收集,仅供学习和研究使用,不得用于任何商业用途。
本站尊重知识产权,若本站内容侵犯了您的权益,请及时通知我们,我们将尽快予以删除。
  • 手机访问
    微信扫一扫
  • 联系QQ客服
    QQ扫一扫
2022-2025 新资汇 - 参考资料免费下载网站 浙ICP备2024084428号-1
关灯 返回顶部
快速回复 返回顶部 返回列表