[标准发布] 某市政道路工程造价指标和指数(2020年第6期).pdf

12 0
admin 发表于 2025-10-2 20:04 | 查看全部 阅读模式

一、基本信息

文档名称:某市政道路工程造价指标和指数(2020年第6期)

文档格式:pdf格式

文档大小:0.6MB

总页数:3页


二、简介

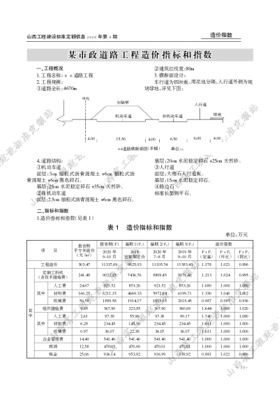
《某市政道路工程造价指标和指数(2020年第6期)》是针对市政道路工程造价的权威性参考资料,旨在为行业提供准确的造价数据支持。该资料汇总了2020年第六期的相关工程造价信息,包括不同路段、结构类型及材料价格等关键指标。通过分析历史数据与当前市场情况,该报告有助于合理预测工程成本,优化资源配置,提高项目管理效率。同时,它也为政府部门、设计单位及施工单位提供了重要的决策依据。该资料内容详实,数据来源可靠,是市政工程建设领域不可或缺的重要工具。


三、预览

某市政道路工程造价指标和指数(2020年第6期)
2025-10-2 20:04 上传
文件大小:
614.4 KB
下载次数:
60
某市政道路工程造价指标和指数(2020年第6期).pdf
高速下载
【温馨提示】 您好!以下是下载说明,请您仔细阅读:
1、推荐使用360安全浏览器访问本站,选择您所需的PDF文档,点击页面下方“本地下载”按钮。
2、耐心等待两秒钟,系统将自动开始下载,本站文件均为高速下载。
3、下载完成后,请查看您浏览器的下载文件夹,找到对应的PDF文件。
4、使用PDF阅读器打开文档,开始阅读学习。
5、使用过程中遇到问题,请联系QQ客服。

本站提供的所有PDF文档、软件、资料等均为网友上传或网络收集,仅供学习和研究使用,不得用于任何商业用途。
本站尊重知识产权,若本站内容侵犯了您的权益,请及时通知我们,我们将尽快予以删除。
  • 手机访问
    微信扫一扫
  • 联系QQ客服
    QQ扫一扫
2022-2025 新资汇 - 参考资料免费下载网站 浙ICP备2024084428号-1
关灯 返回顶部
快速回复 返回顶部 返回列表