GBT 6091-1985 刀口形直尺.pdf

9 0
2025-9-26 17:09 阅读模式

一、基本信息

文档名称:GBT 6091-1985 刀口形直尺

文档格式:pdf格式

文档大小:0.16MB

总页数:4页


二、简介

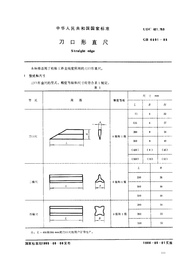
《GBT 6091-1985 刀口形直尺》是中国国家标准,主要用于测量直线度和平面度。该标准规定了刀口形直尺的结构形式、技术要求、检验方法及标志与包装等。刀口形直尺是一种精密量具,常用于机械加工和检测领域,其刀口边缘具有高精度的直线性,能够有效检测工件表面的平整度。该标准适用于长度范围在200mm至1000mm之间的刀口形直尺。通过遵循此标准,可以确保刀口形直尺的制造质量与使用性能,满足不同行业对测量精度的要求。


三、预览

GBT 6091-1985 刀口形直尺
2025-9-7 10:15 上传
文件大小:
163.84 KB
下载次数:
60
GBT 6091-1985 刀口形直尺.pdf
高速下载
【温馨提示】 您好!以下是下载说明,请您仔细阅读:
1、推荐使用360安全浏览器访问本站,选择您所需的PDF文档,点击页面下方“下载”按钮。
2、耐心等待两秒钟,系统将自动开始下载,本站文件均为高速下载。
3、下载完成后,请查看您浏览器的下载文件夹,找到对应的PDF文件。
4、使用PDF阅读器打开文档,开始阅读学习。
5、使用过程中遇到问题,请联系QQ客服。

本站提供的所有PDF文档、软件、资料等均为网友上传或网络收集,仅供学习和研究使用,不得用于任何商业用途。
本站尊重知识产权,若本站内容侵犯了您的权益,请及时通知我们,我们将尽快予以删除。

  • 手机访问
    微信扫一扫
  • 联系QQ客服
    QQ扫一扫
2022-2025 新资汇 - 参考资料免费下载网站 浙ICP备2024084428号-1
关灯 返回顶部
快速回复 返回顶部 返回列表