GBT 6092-1985 90°角尺.pdf

11 0
2025-9-26 17:03 阅读模式

一、基本信息

文档名称:GBT 6092-1985 90°角尺

文档格式:pdf格式

文档大小:0.42MB

总页数:10页


二、简介

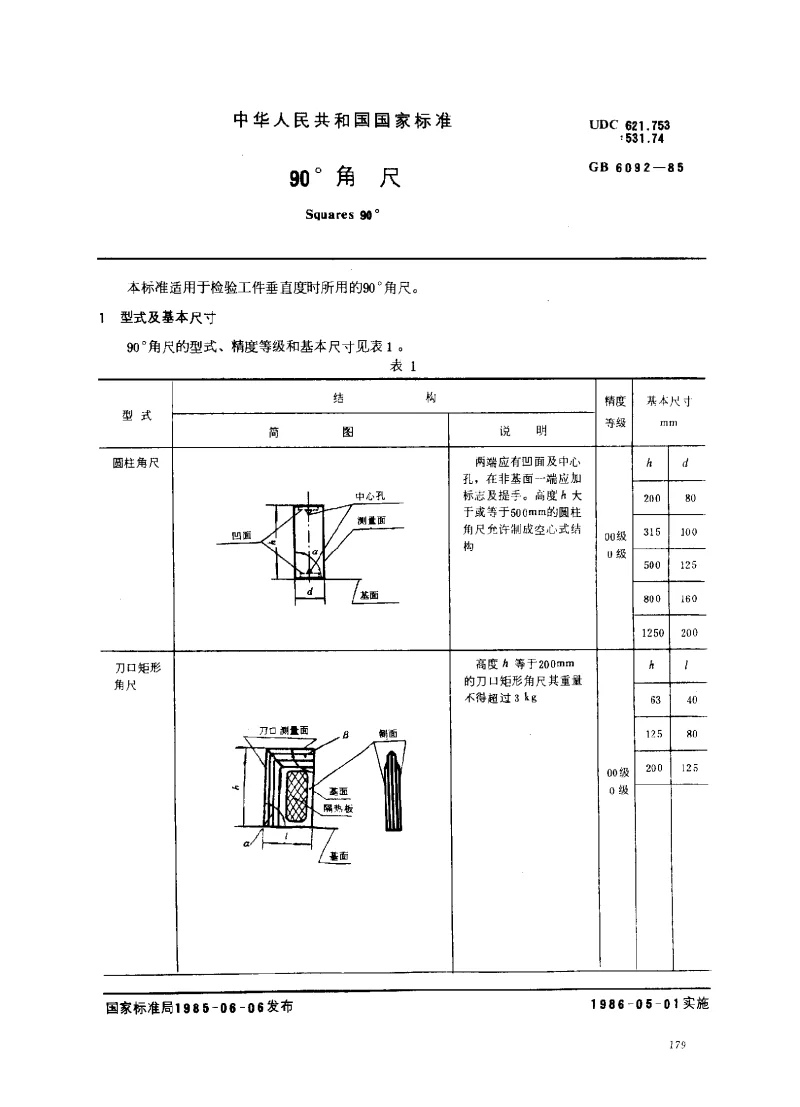
《GBT 6092-1985 90°角尺》是中国国家标准,用于规定90°角尺的技术要求、检验方法和标志包装等内容。该标准适用于机械制造、建筑安装等领域中,用于检测和校准直角的测量工具。90°角尺通常由金属材料制成,具有较高的精度和稳定性,能够保证测量结果的准确性。标准中对角尺的几何形状、尺寸偏差、表面质量等进行了详细规定,确保产品符合使用需求。同时,标准还明确了产品的检验规则和试验方法,以保障产品质量。该标准的实施对于提高测量精度、促进工业标准化具有重要意义。


三、预览

GBT 6092-1985 90°角尺
2025-9-7 10:15 上传
文件大小:
430.08 KB
下载次数:
60
GBT 6092-1985 90°角尺.pdf
高速下载
【温馨提示】 您好!以下是下载说明,请您仔细阅读:
1、推荐使用360安全浏览器访问本站,选择您所需的PDF文档,点击页面下方“下载”按钮。
2、耐心等待两秒钟,系统将自动开始下载,本站文件均为高速下载。
3、下载完成后,请查看您浏览器的下载文件夹,找到对应的PDF文件。
4、使用PDF阅读器打开文档,开始阅读学习。
5、使用过程中遇到问题,请联系QQ客服。

本站提供的所有PDF文档、软件、资料等均为网友上传或网络收集,仅供学习和研究使用,不得用于任何商业用途。
本站尊重知识产权,若本站内容侵犯了您的权益,请及时通知我们,我们将尽快予以删除。

  • 手机访问
    微信扫一扫
  • 联系QQ客服
    QQ扫一扫
2022-2025 新资汇 - 参考资料免费下载网站 浙ICP备2024084428号-1
关灯 返回顶部
快速回复 返回顶部 返回列表