[JG建筑工程] JGT 29.1-1986 钢制柱型散热器.pdf

15 0
2025-9-22 11:56 阅读模式

一、基本信息

文档名称:JGT 29.1-1986 钢制柱型散热器

文档格式:pdf格式

文档大小:0.24MB

总页数:5页


二、简介

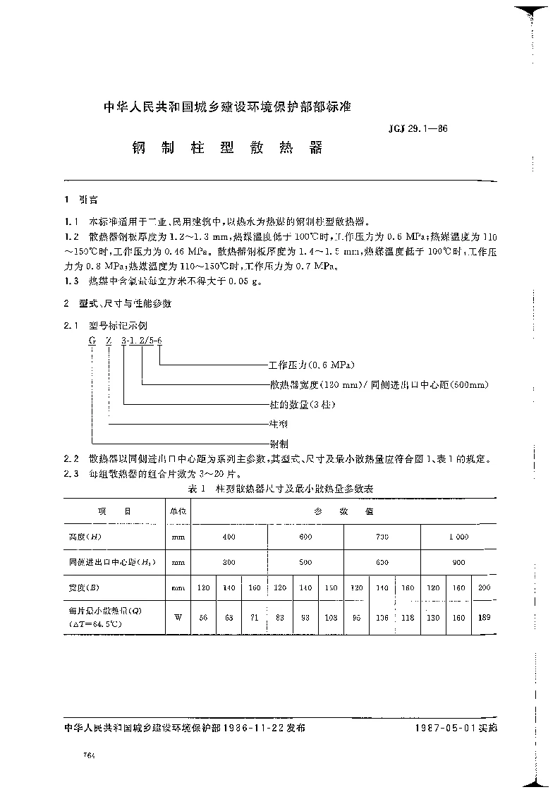
JGT 29.1-1986 钢制柱型散热器是一项关于建筑供暖设备的行业标准,主要用于规范钢制柱型散热器的设计、制造和检验。该标准规定了散热器的结构形式、技术要求、试验方法及检验规则等内容,确保产品的性能和质量符合相关工程需求。钢制柱型散热器因其良好的热效率和耐用性,在工业与民用建筑中广泛应用。该标准的发布为行业的规范化发展提供了依据,有助于提高产品质量和使用安全,同时促进了产品在市场上的统一性和互换性。


三、预览

JGT 29.1-1986 钢制柱型散热器
2025-9-7 09:06 上传
文件大小:
245.76 KB
下载次数:
60
JGT 29.1-1986 钢制柱型散热器.pdf
高速下载
【温馨提示】 您好!以下是下载说明,请您仔细阅读:
1、推荐使用360安全浏览器访问本站,选择您所需的PDF文档,点击页面下方“下载”按钮。
2、耐心等待两秒钟,系统将自动开始下载,本站文件均为高速下载。
3、下载完成后,请查看您浏览器的下载文件夹,找到对应的PDF文件。
4、使用PDF阅读器打开文档,开始阅读学习。
5、使用过程中遇到问题,请联系QQ客服。

本站提供的所有PDF文档、软件、资料等均为网友上传或网络收集,仅供学习和研究使用,不得用于任何商业用途。
本站尊重知识产权,若本站内容侵犯了您的权益,请及时通知我们,我们将尽快予以删除。

  • 手机访问
    微信扫一扫
  • 联系QQ客服
    QQ扫一扫
2022-2025 新资汇 - 参考资料免费下载网站 浙ICP备2024084428号-1
关灯 返回顶部
快速回复 返回顶部 返回列表