01G516(预算工程量)轻型屋面钢天窗架(预算工程量).pdf

18 0
admin 发表于 2025-10-5 17:07 阅读模式

一、基本信息

文档名称:01G516(预算工程量)轻型屋面钢天窗架(预算工程量)

文档格式:pdf格式

文档大小:0.06MB

总页数:2页


二、简介

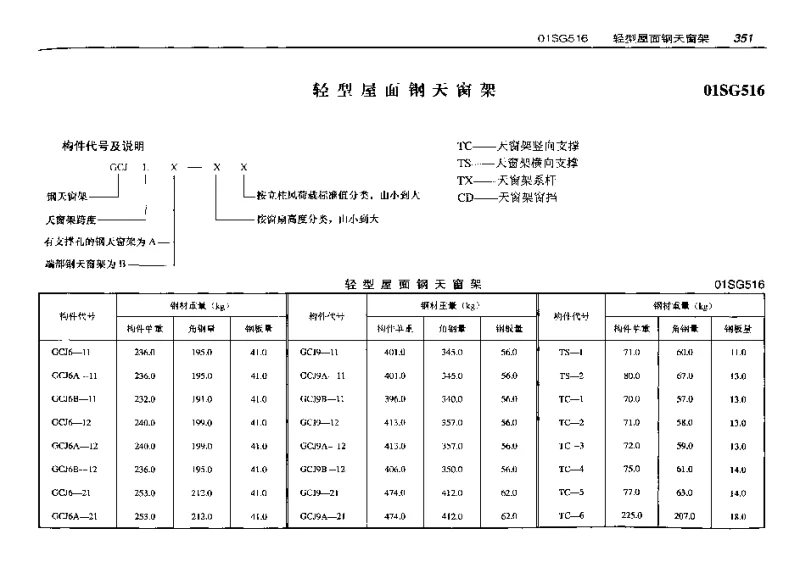
《01G516(预算工程量)轻型屋面钢天窗架(预算工程量)》是用于建筑工程中轻型屋面钢天窗架的预算工程量计算标准。该图集主要针对轻型钢天窗架的设计、制作与安装提供了详细的工程量计算方法和依据,适用于工业与民用建筑中的屋面采光通风设计。图集内容包括天窗架的结构形式、构件规格、连接方式及相应的工程量计算规则,为工程预算、招投标及施工管理提供了重要参考。通过规范化的工程量计算,有助于提高工程造价的准确性,确保施工过程的有序进行。


三、预览

01G516(预算工程量)轻型屋面钢天窗架(预算工程量)
2025-9-7 13:10 上传
文件大小:
61.44 KB
下载次数:
60
01G516(预算工程量)轻型屋面钢天窗架(预算工程量).pdf
高速下载
【温馨提示】 您好!以下是下载说明,请您仔细阅读:
1、推荐使用360安全浏览器访问本站,选择您所需的PDF文档,点击页面下方“本地下载”按钮。
2、耐心等待两秒钟,系统将自动开始下载,本站文件均为高速下载。
3、下载完成后,请查看您浏览器的下载文件夹,找到对应的PDF文件。
4、使用PDF阅读器打开文档,开始阅读学习。
5、使用过程中遇到问题,请联系QQ客服。

本站提供的所有PDF文档、软件、资料等均为网友上传或网络收集,仅供学习和研究使用,不得用于任何商业用途。
本站尊重知识产权,若本站内容侵犯了您的权益,请及时通知我们,我们将尽快予以删除。

  • 手机访问
    微信扫一扫
  • 联系QQ客服
    QQ扫一扫
2022-2025 新资汇 - 参考资料免费下载网站 浙ICP备2024084428号-1
关灯 返回顶部
快速回复 返回顶部 返回列表