设为首页
收藏本站
首页
BBS
登录
注册
资料下载
›
电力行业
›
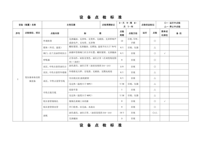
300MW火电机组电气一次设备点检标准
300MW火电机组电气一次设备点检标准
231
0
2026-1-6 15:28
|
查看全部
阅读模式
文档名称:300MW火电机组电气一次设备点检标准
300MW火电机组电气一次设备点检标准.pdf
文件大小:
6.83 MB
高速下载
电气
,
火电
,
机组
,
设备
回复
举报
相关文档
•
#5、6机组循环水系统改造及经济调度 - 京津冀晋蒙鲁电机工程(电力)学会第十八届学术会议.pdf
•
#5_#6炉密封风机改造 - 全国火电大机组(600MW级)竞赛第十二届年会.pdf
•
#4机组小修之我见 - 全国火电大机组(600MW级)竞赛第十二届年会.pdf
•
#2锅炉炉膛压力高保护动作停机的分析 - 全国电力行业CFB机组技术交流服务协作网第七届年会.pdf
•
#2炉东西两侧再热屏严重变形的分析 - 全国电力行业CFB机组技术交流服务协作网第七届年会.pdf
•
#1主变微水值偏高分析与处理 - 全国火电100-200MW级机组技术协作会2008年年会.pdf
•
龙滩电站机组检修排水系统问题处理 - 2008年南方十三省水电学会联络会暨学术交流会.pdf
•
龙滩电厂机组技术供水正(反)向控制系统改造 - 2008年南方十三省水电学会联络会暨学术交流会.pdf
•
龙滩水电站计算机监控系统设计 - 2008年全国大型水电机组技术经验交流会.pdf
•
龙滩水电站计算机监控系统 - 2008年全国大型水电机组技术经验交流会.pdf
•
龙滩水电站综合自动化系统综述 - 2008年全国大型水电机组技术经验交流会.pdf
•
龙滩水电站水轮发电机组结构特点与性能参数 - 2008年全国大型水电机组技术经验交流会.pdf
•
龙滩水电站机组技术供水正反向控制改造 - 2008年全国大型水电机组技术经验交流会.pdf
•
龙滩水电站700MW全空冷水轮发电机选型设计 - 2008年全国大型水电机组技术经验交流会.pdf
•
龙滩水电站700MW水轮发电机组结构综述 - 2008年全国大型水电机组技术经验交流会.pdf
•
龙滩水电站1号机组启动试运行试验情况综述 - 2008年全国大型水电机组技术经验交流会.pdf
•
黑龙江建龙φ273mmAccu-roll无缝钢管机组工艺与设备 - 2008年全国轧钢生产技术会议.pdf
热门分类
法规
地方标准
团体标准
其他标准
工业技术
参考文献
新能源行业
电力行业
商务办公
建筑工程
打包下载
软件工具
2026
资料下载
联系邮件:1991591830#qq.com
浙ICP备2024084428号-1